OEM and customized products

  • Home
  • OEM and customized products

kundenspezifische Beleuchtungen / OEM Beleuchtungen

Upon request, we can modify our standard products according to specifications, e.g. color or spectrum, radiation pattern, connector or the like.
In addition, we also develop luminaires according to customer specifications with certain optical, electrical or technical properties, also as custom-made products.

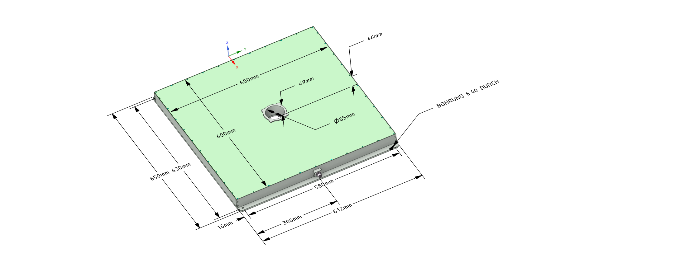
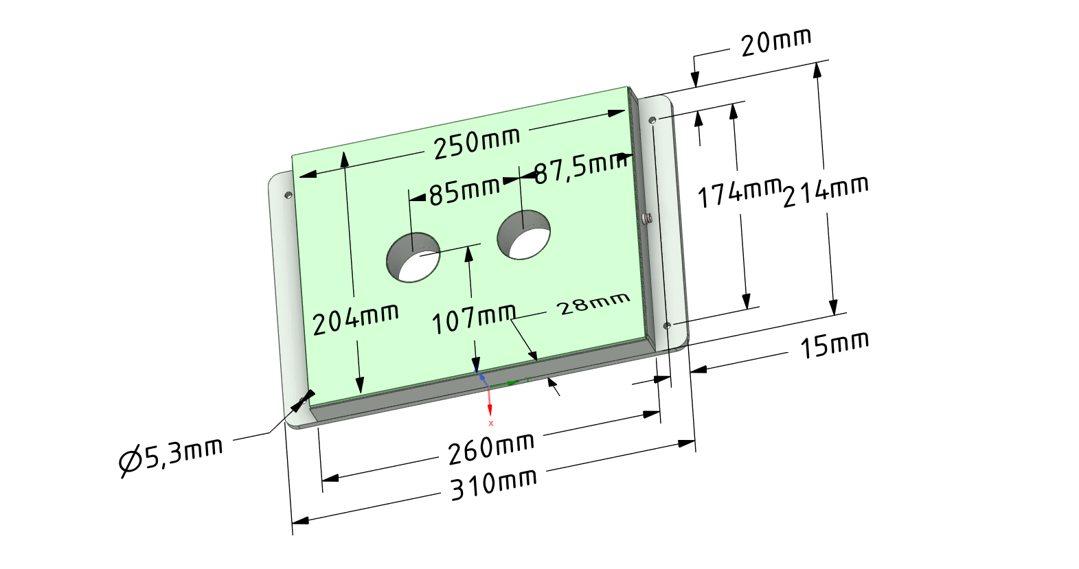
Examples of customized lighting

Büchner Lichtsysteme GmbH – All rights